全国统一服务热线
400-610-6025
首 页
乐鱼(中国)
公司概况
证书荣誉
组织结构
业务范围
业绩案例
工艺材料
行业动态
资料下载
乐鱼(中国)
当前位置:
首页
>
图集
>
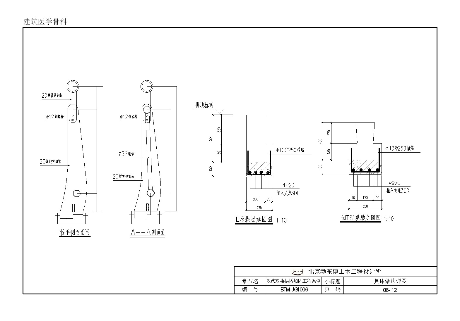
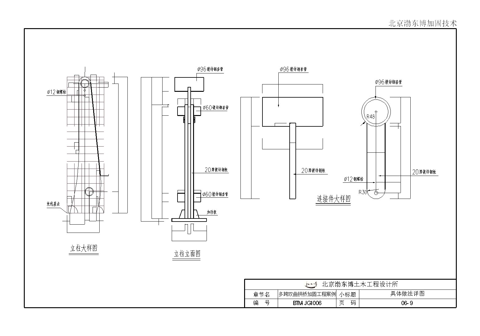
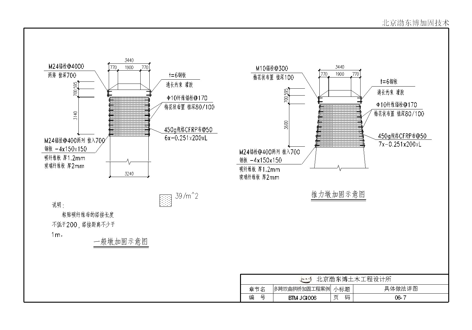
多跨双曲拱桥加固工程案例
多跨双曲拱桥加固工程案例
版权所有:ly官网
邮箱:jiagu@bodongbo.com
传真:010-64403408
电话:400-610-6025 800-810-6025 010-64403428
地址:北京市朝阳区北苑东路19号院2号楼1206室(中国铁建广场C座)
京ICP备2022035419号-1
星空在线登录
|
星空平台
|
爱体育·体育(中国)官方网站
|
乐鱼网页版
|
爱体育最新网页登录
|
乐鱼手机版
|
爱体育(中国)官方网站
|
hth平台
|
xingkong.com
|